Газовая горелка Elco VECTRON VG3.350 D E является двухступенчатой вентиляторной (наддувной) горелкой с низким содержанием продуктов сгорания, загрязняющих окружающую среду, в исходящих дымовых газах. Газовая горелка Elco VECTRON VG3.350 D E работает как на природном газе, так и на сжиженном газе с низкой теплотворностью. Электрические элементы и панель управления на газовой горелке Elco VECTRON VG3.350 D E смонтированы в жаростойком, шумоподавляющем пластмассовом корпусе кубической формы, что обеспечило максимальную компактность горелочного устройства, минимальный вес и простое техническое обслуживание в ходе работы. Однофазное напряжение питания 230V позволяет устанавливать газовые горелки Elco VECTRON VG3.350 D E на любых объектах не только промышленных, но и частных.

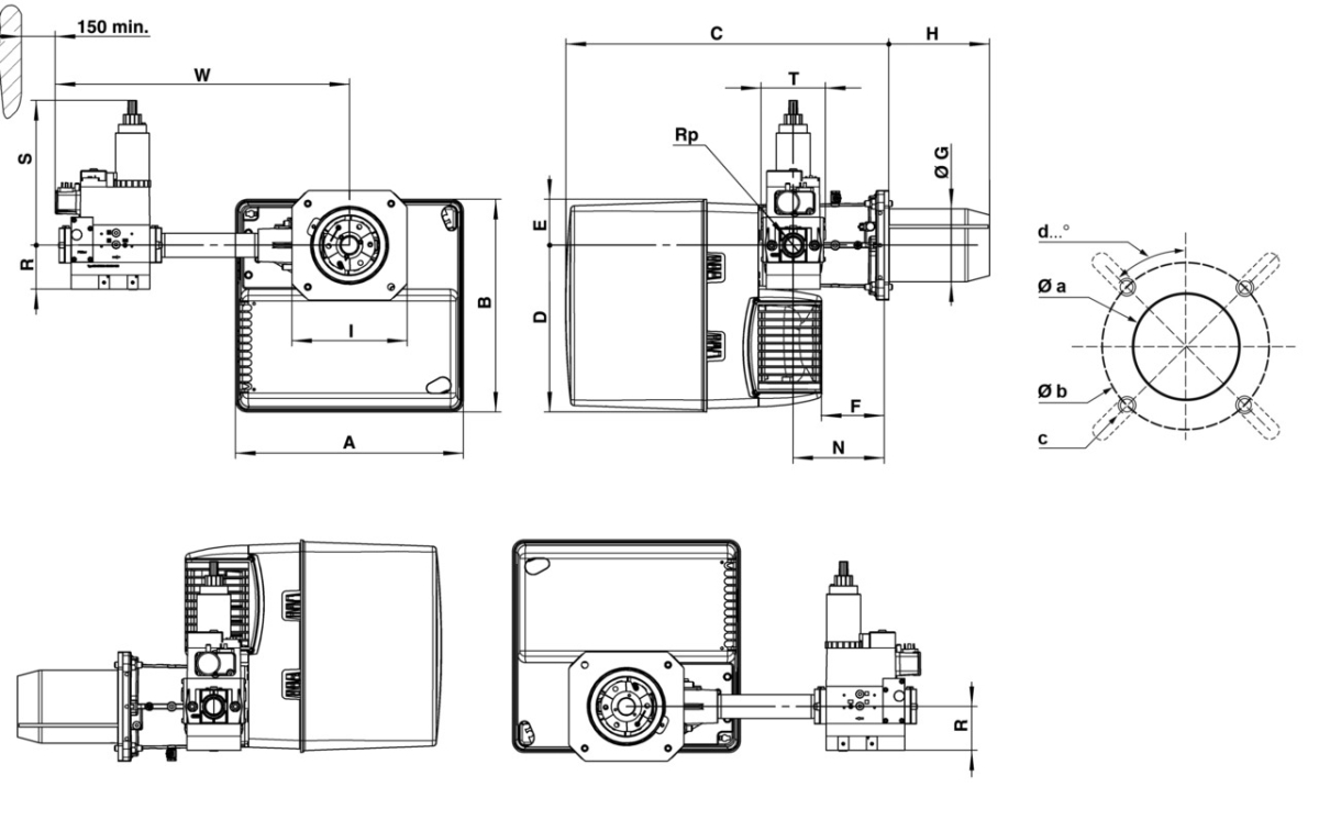
A | B | C | D | E | F | G | H | I | N | Oa | Ob | c | d |
| 406 | 379 | 576 | 297 | 82 | 120 | 130 | KN: 180 / KL: 320 | 195x205 | 170 | 155-190 | 180-220 | M10 | 45° |