Комбинированная горелка Elco VECTRON VGL3.360 D двухступенчатая работает на природном газе и дизельном топливе. Горелка обеспечит максимально эффективное сжигание топлива при низком расходе энергии благодаря умеренной вентиляции и особенностям конструкции. На прочном корпусе расположен специальный MDE2 экран для считывания информации в режиме реального времени. Детали головы сгорания легко снимаются и чистятся. После установки, первоначальные настройки сохраняются. VECTRON соответствует Европейским директивам EN 676/EN 267. По низковольтному оборудованию 2014/35/EU. По электромагнитной совместимости 2014/30/UE. По газовому оборудованию 2016/426/UE, машины и механизмы 2006/42/E.

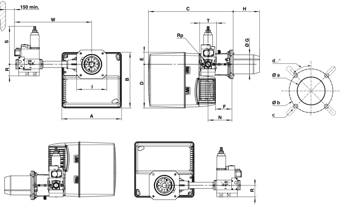
A | B | C | D | E | F | G | H | I | N | Oa | Ob | c | d |
| 406 | 379 | 576 | 297 | 82 | 120 | 130 | KN: 180 / KL: 320 | 195x205 | 170 | 155-190 | 180-220 | M10 | 45° |