Газовая горелка Elco VECTRON VG4.460 D является двухступенчатой вентиляторной (наддувной) горелкой с низким содержанием продуктов сгорания, загрязняющих окружающую среду, в исходящих дымовых газах. Газовая горелкаElco VECTRON VG4.460 D работает как на природном газе, так и на сжиженном газе с низкой теплотворностью.
Электрические элементы и панель управления на газовой горелке Elco VECTRON VG4.460 D смонтированы в жаростойком, шумоподавляющем пластмассовом корпусе кубической формы, что обеспечило максимальную компактность горелочного устройства, минимальный вес и простое техническое обслуживание в ходе работы. Однофазное напряжение питания 230 V позволяет устанавливать газовые горелки Elco VECTRON VG4.460 D на любых объектах не только промышленных, но и частных.

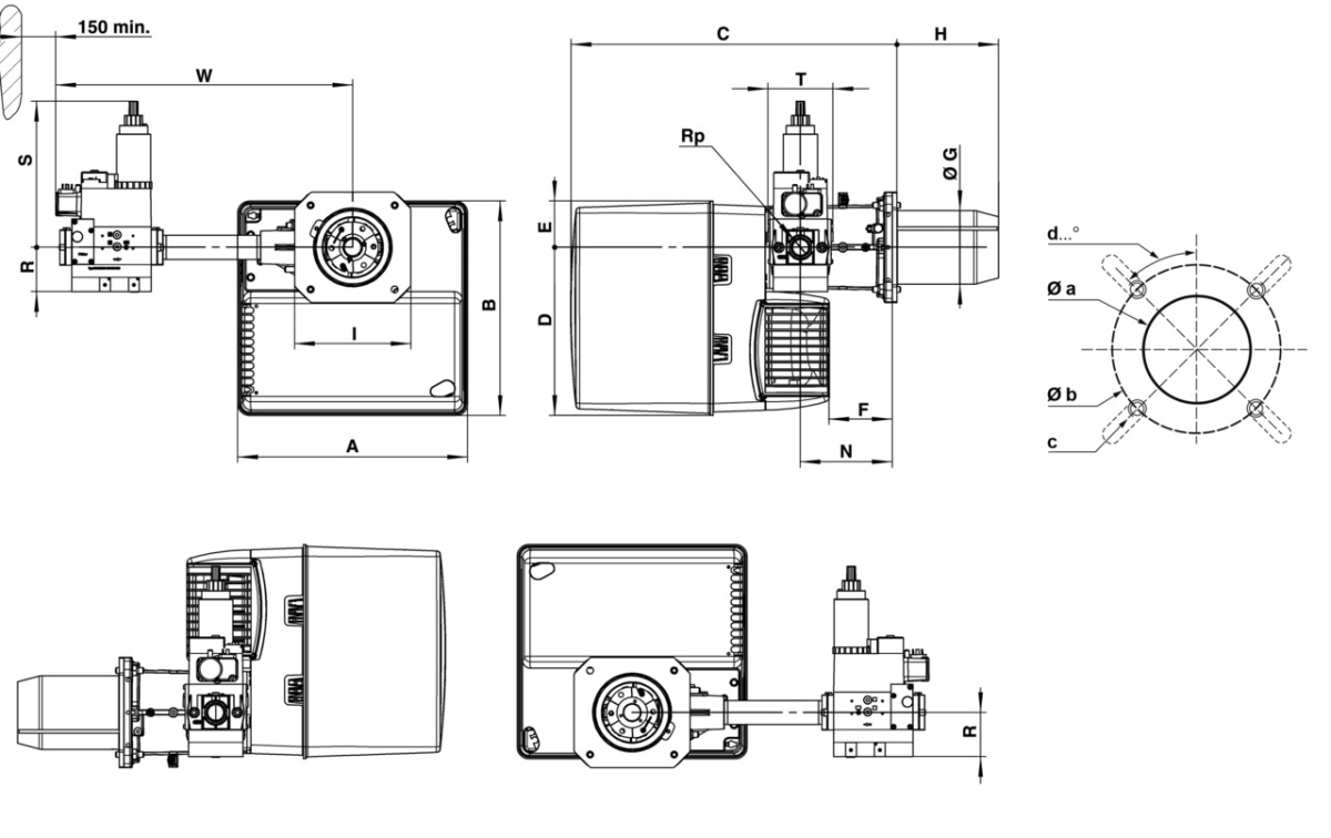
A | B | C | D | E | F | G | H | I | N | Oa | Ob | c | d |
| 465 | 475 | 640 | 377 | 97 | 149 | 150 | KN: 220 / KL: 360 | 245 | 195 | 180-240 | 200-270 | M10 | 45° |