Газовая горелка ELCO VECTRON VG2.205 D E двухступенчатая с низкими выбросами NOx обеспечит максимально эффективное сжигание топлива при низком расходе энергии благодаря умеренной вентиляции и особенностям конструкции. На прочном корпусе расположен специальный MDE2 экран для считывания информации в режиме реального времени. Детали головы сгорания легко снимаются и чистятся. После установки, первоначальные настройки сохраняются. VECTRON соответствует Европейским директивам EN 676/EN 267.

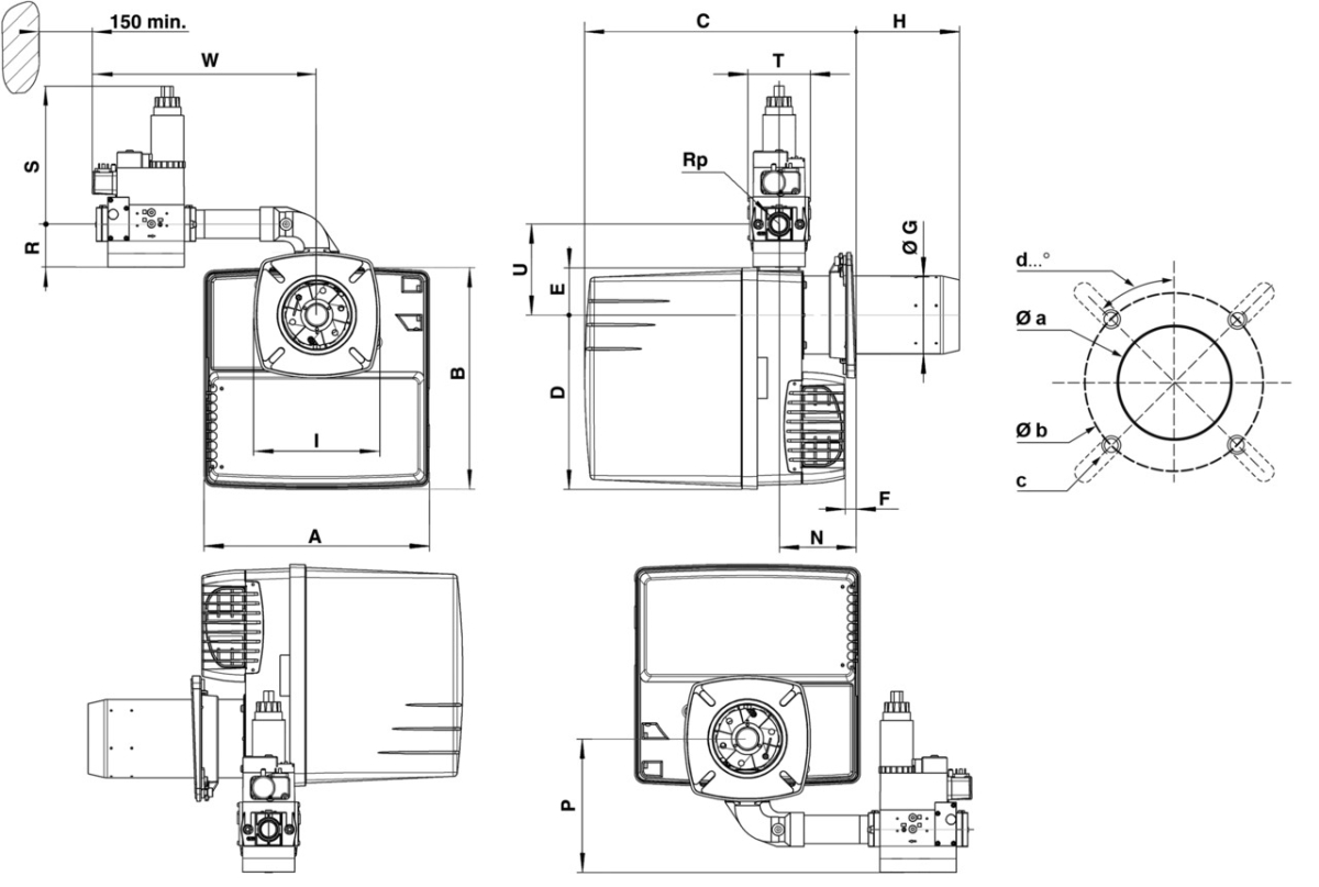
A | B | С | D | E | F | J | H | I | N | Oa | Ob | c | d |
| 331 | 325 | KN: 398…518 / KL: 398…638 | 256 | 69 | min.15 | 115 | KN: 30…150 / KL: 30…270 | 185 | min.113 | 120-135 | 150-185 | M8 | 45° |