Газовая горелка Еlco VG2.140 Е является одноступенчатой вентиляторной (наддувной) горелкой с низким содержанием продуктов сгорания, загрязняющих окружающую среду, в исходящих дымовых газах. Газовая горелка Elco VG 2.140 Е работает как на природном газе, так и на сжиженном газе с низкой теплотворностью.
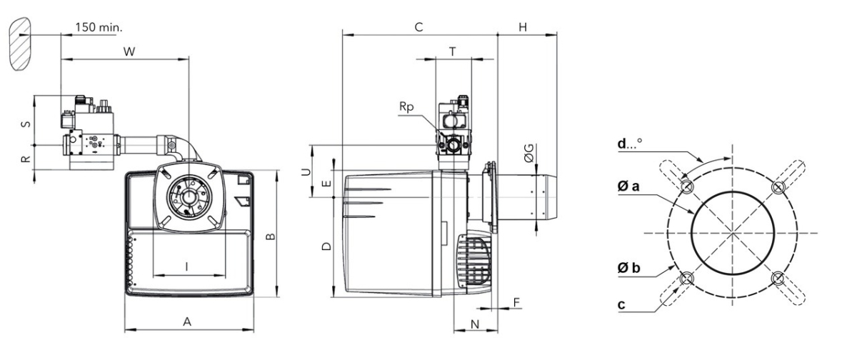
Электрические элементы и панель управления на газовой горелке Elco VG 2.140 Е смонтированы в жаростойком, шумоподавляющем пластмассовом корпусе кубической формы, что обеспечило максимальную компактность горелочного устройства, минимальный вес и простое техническое обслуживание в ходе работы. Однофазное напряжение питания 230V позволяет устанавливать газовые горелки Elco серии Vectron G2.140 Е на любых объектах не только промышленных, но и частных. Горелка выпускается с огневой трубой двух видов (короткой - до 150 мм, длинной - до 270 мм.)

A | B | C | D | E | F | G | H | I | N | Oa | Ob | c | d |
| 331 | 325 | KN: 398…518 / KL: 398…638 | 256 | 69 | min.15 | 115 | KN: 30…150 / KL: 30…270 | 185 | min.113 | 120-135 | 150-185 | M8 | 45° |